网站导航 MENU
网站首页
关于公司
新闻动态
公司产品
下载中心
人才招聘
联系我们
公司产品
螺杆泵
齿轮泵
柱塞泵
气涨轴
气动振动器
施耐德电气
你的位置:
首页
>
公司产品
>
螺杆泵
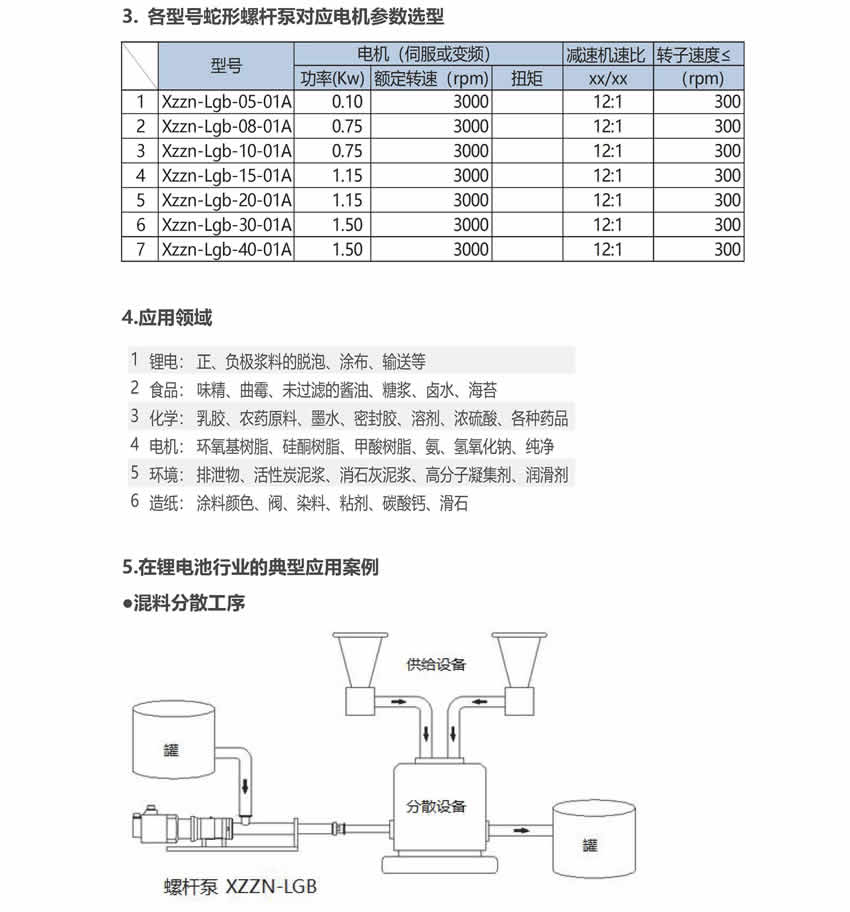
08型号蛇形螺杆泵
更新:2023/11/15 23:51:45 点击:
产品介绍
08型号蛇形螺杆泵
首页
电话
产品
邮件
短信