网站导航 MENU
网站首页
关于公司
新闻动态
公司产品
下载中心
人才招聘
联系我们
公司产品
螺杆泵
齿轮泵
柱塞泵
气涨轴
气动振动器
施耐德电气
你的位置:
首页
>
公司产品
>
气涨轴
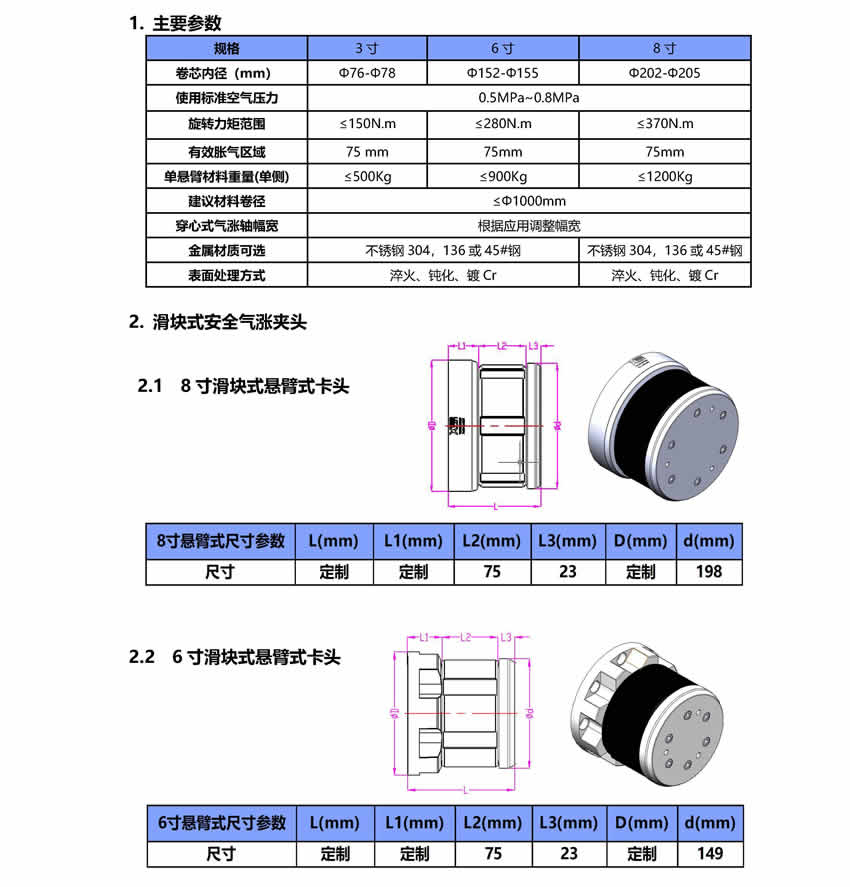
3+6寸悬臂式卡头-气涨轴
更新:2023/11/16 11:49:59 点击:
产品介绍
3+6寸悬臂式卡头-气涨轴
首页
电话
产品
邮件
短信